MStar ISP Utility(MS58机芯电视升级工具)
5.0.8 官方版- 软件大小:1.36 MB
- 更新日期:2018-07-24
- 软件语言:英文
- 软件类别:机械电子
- 软件授权:免费软件
- 软件官网:未知
- 适用平台:WinXP, Win7, Win8, Win10, WinAll
- 软件厂商:
软件介绍人气软件相关文章网友评论下载地址
MStar ISP Utility是一款功能相当不错的MS58机芯电视升级工具;它也是该系列软件最新的版本,该软件的使用是相当的简单,只要将应用程序进行打开,点击Connect的按钮,在进行选择read,对.bin的文件选择,将确认的按钮进行快速的选择,就能对相关的软件进行升级,简单的使用方式,直观的操作语言,感兴趣的用户千万不要错过,相信你一定不会后悔!

软件功能
在进行该软件使用的时候
需要电脑进行准备,而且还是要有USB接口的软件
可以从电脑自带的USB接口来连接您需要使用的VGA输出的口
并且支持对需要的烧写文件进行准备,这样就能方便的完成相关的操作
软件特色
软件的使用还是比较的复杂
不过直观简单的操作界面
可以根据你的使用来选择相关的功能栏目
这样就能节约许多的相关时间
内置了丰富的功能,根据自身的要求进行选择
使用方法
1、在本站河东软件园将软件下载完成之后解压成功,点击ISP_Tool.exe运行软件;

2、点击应用程序图标即可进入软件的提示窗口信息,点击确定;

3、进入软件的主界面,支持对软件的相关信息查看;

4、可以对相关的使用方式进行选择,根据需求选择;

5、对您需要使用的文件进行选择;

6、点击红框按钮,即可对相关的功能选项展现,根据需求选择;

7、支持对需要使用的相关设置型号进行选择;

8、对相关使用的功能进行设置;

9、config相关设置界面,在需要使用的选项里面完成设置即可;

使用说明
升级准备:
准备电脑一台,需要带USB口
安装CDM_Setup.exe
复制ISP_Tool4.4.5.0.exe到电脑,不需要安装。
需要烧写工具一套,从电脑的USB口连接到电视的VGA输出口
准备需要烧写的.bin文件(V8-0MS5801-LF1V021)

MS58机芯ISP的升级方法

备注:
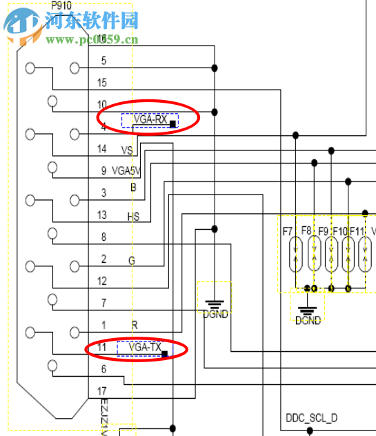
使用VGA口在线升级的时候需要注意:使用的是:
P4:RXD-IN
P11:TXD-IN
因此需要单独制作一个VGA线用于在线升级。
MS58机芯ISP的在升级线制作

备注:如果无法连接,请调换升级板上的:P1、P2跳线。
升级步骤双击打开ISP_Tool4.4.5.0.exe

点击connect

提示“Device Type is MX25L12805D”表示OK。否则检查线是否接好。

点击read,弹出如下对话框:

点击文件选择read,选择.bin文件,确认。

点击AUTO,出现如下对话框:选择红色提示部分,最后点击RUN确认。

图示表示成功烧写。如果失败,重新连接,再来一次。

关机,再开机。
检查软件版本号,是否已经是021。如是,则结束。
下载地址
-
MStar ISP Utility(MS58机芯电视升级工具) 5.0.8 官方版
人气软件
839 MB
/简体中文2.26 GB
/简体中文2.19 GB
/简体中文845 MB
/简体中文
Proteus 8.7下载367 MB
/英文
ANSYS Electronics Suite 19.2下载7.28 GB
/英文
ANSYS Products 19.0下载(附安装教程)8.75 GB
/英文
机械设计手册新编软件版2008628 MB
/简体中文
productview express56.5 MB
/英文
英科宇机械工程师2016免费版下载540 MB
/简体中文
相关文章
网友评论共0条

Wecon PLC Editor(维控PLC编程软件) 2019.07 官方版
3DSource零件库 5.3.3 免费单机版









精彩评论