品茗网络计划编制软件下载
2015 官方版- 软件大小:26.9 MB
- 更新日期:2016-10-27
- 软件语言:简体中文
- 软件类别:工程建筑
- 软件授权:免费软件
- 软件官网:未知
- 适用平台:WinXP, Win7, Win8, Win10, WinAll
- 软件厂商:
软件介绍人气软件相关文章网友评论下载地址
品茗网络计划编制软件是一款工程管理软件,通过该软件,用户可以管理项目进度、实时进度预测和调整,有利于加强工程管理,并有助于管理人员合理地组织生产,软件拥有专业的制图技术,无须草图,鼠标拖曳即能画图,网络图、横道图双向智能转化,当您在设计图纸时,对于施工的各项图标数据软件都能自动帮您匹配,如您需要对相关数据进行修改,软件就会自动识别修改的数据,从而将相关的数据自动转化,真正达到一键修改的效率,有效提高技术标的形象分和规范性,需要的朋友赶快下载试试吧!

软件功能
1、软件自动建立紧前紧后关系、生成关键路径,鼠标拖曳就能绘图。
2、时标逻辑网络图、时标网络图、横道图自动转化,无需重复绘制。
3、更可编制所有工作进度计划表,可以绘制实工作、虚工作、辅助工作、挂起工作、里程碑等各种类型工作。
4、资源图绘制功能,可根据工程进度实时合理配置资源。
5、丰富的前锋线控制、自由调时差、资源控制等功能保障项目进度控制和管理。
6、自由分区,水平、垂直分区随意设置。
7、提供各样图例,并能够用子网络维护。
8、丰富的定制功能,自定义线条粗细、颜色、注释文字
软件特色
绘制双代号网络图
绘图时软件自动建立紧前紧后关系、关键线路自动生成,可以彩色出图打印,网络图绘制完成可直接转换为横道图。精美网络图可有效提升技术标的形象分和规范性。
编制进度计划表
通过本软件可编制所有工作进度计划表,可以绘制实工作、虚工作、辅助工作、挂起工作、里程碑等各种类型工作。
项目进度控制和管理
软件提供前锋线控制、自由调时差、资源控制等功能,可以实现实时进度预测和调度,从而进行项目进度控制和管理。
使用说明
第一步:智能的专项方案设计与计算
◆根据设计要求输入基本参数,软件智能生成图文并茂的计算书
◆各种设施计算是否满足要求,软件可以快速计算并给出优化意见
◆按填写参数生成节点详图,CAD图片动态显示
◆各种材料如钢管、模板用量可同步计算,在安全的前提下尽可能节约施工成本
第二步:一键生成完整专项方案书
◆在优化的计算书基础上,安全专项施工方案书快速生成
◆专项方案内容满足建设部《危险性较大的分部分项工程安全管理办法》要求
◆提供专业绘图工具,可绘制各种节点详图,直接写入方案书
◆提供各种构造措施,可灵活补充删减,可直接写入方案书
第三步:轻松编制应急预案
◆提供14大类66种应急预案范例和素材
◆收编大量应急预案的法律法规、教材和专业文章供参考
第四步:同步生成专项方案报审表
◆智能生成报审表,选取计算要点供专家、总工和监理等高效审核
◆智能提取设计计算参数并生成参数报表,技术参数一览无余
第五步:智能识别和控制危险源
◆通过安全检查表法和工作任务分析法实现危险源的识别和控制;
◆提供7大类危险性较大工程的危险源识别与控制措施;
第六步:真正实现专项方案指导施工;
◆在专项方案的基础上,智能生成施工技术交底;
◆提供大量施工节点的现场图片、直接写入技术交底;
◆提供齐全的检查管理用表。
新增功能
一、快增加面板功能增强
说明:1、增加工作定位的功能
2、增加紧前工作和紧后工作快速选择列(横道图同样适用)
3、快面板增加导出Excel、word表格功能,导入excel表格;
二、子网功能(添加使用子网络图,子网库)
三、自定义页打印功能
四、工作分解 - 组件功能加强
五、绘制斜线(箭线偏移 )、垂直分区
六、工程新建的新增项:
1、允许网络图可以设置的最小天数为1天起
2、项目概况中增加网络计划和横道图标题填写的选项
七、修改步长(15天->31天)、冬休期增加文字修改
八、网络图转横道图超页自动提示
九、打印调整优化: (1)刻度框高;(2)文字竖直排列
十、BUG修改:修改了撤销在冬休期存在的情况下的显示问题
十一、修改在线升级功能,增加版本范围划分升级,问题直通车多附件上传;
十二、增加加密锁挂失功能;
安装方法
1、下载解压文件,找到品茗网络计划编制软件2014.exe双击安装

2、阅读协议、点击接受

3、选择安装位置D:PINMINGCDN2014

4、创建菜单文件夹品茗软件

5、安装预览点击安装

6、正在安装,请稍后

7、安装完成

使用方法
1、只需拖曳鼠标,便可完成工作的新建,软件通过操作,只能判别紧前紧后工作,关键线路,可利用时差等

2、人性化的假期设置功能,各种假期一目了然,并可对假期是否计入总工期进行选择

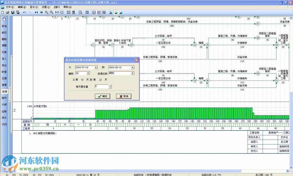
3、资源图配合网络图,每日人工,钢材等需求量清晰可见,资源需求量与工期安排完美结合

4、网络计划图与横道图自动转化,省时又省心,提供起始,结束,序号等多种横道图排序方式,满足施工现场不同需求

5、多种输出方式提供选择,spt,jpg,wmf等,满足不同客户需求

6、智能化的打印模式,纸张大小,色彩模式随心选择

更新日志
一、新增功能
1、支持横道图工作顺序调整。
2、支持横道图条形文本显示。
3、分开支持彩色打印和黑白打印。
二、功能优化
1、横道图和网络图的注释分离
2、注释功能存储方式变更,支持边框单独设置和统一设置。
3、注释引线可自定义,双击和修改注释的方式与工作操作统一。
4、关键工作、一般工作的默认填充图案设置,与图注显示匹配。
5、支持工作表格高度、横道图高度的默认设置机自定义设置。
6、分页时快面板定位问题优化。
7、表格区工作名称自动跨行显示。
8、支持网络图工作名称和持续时间的对齐方式分开设置。
9、支持竣工标示"小红旗"的大小等自定义设置。
10、流水性能优化及绘制完成后的刷新问题解决。
11、分区管理优化,支持撤销和恢复。
下载地址
-
品茗网络计划编制软件下载 2015 官方版
人气软件
487 MB
/简体中文
天正给排水t20 v5.0下载472 MB
/简体中文
草图大师2018中文版(sketchup pro 2018)184 MB
/简体中文
t20天正建筑 v5.0下载721 MB
/简体中文
t20天正建筑v4.0下载487 MB
/简体中文
t20天正建筑v6.0破解版608 MB
/简体中文
理正工具箱下载(理正结构工具箱)83.9 MB
/简体中文
t20天正电气v5.0下载481 MB
/简体中文
广联达bim钢筋算量软件ggj2013574 MB
/简体中文665 MB
/简体中文
相关文章
网友评论共2条

宏业清单计价软件 2018.01.001 官方全新版
pyrosim2019破解版 2019.2 附安装教程
鸿业交通设施设计软件下载 3.1 免费版
pathfinder2019破解版 2019.2 免费版
建标库 8.3.0.9 官方版
仁霸板材优化软件下载 9.0 官方版
道路测设大师 9.7 官方版









精彩评论