品茗网络计划2014-品茗网络计划编制软件下载 4.3.0.0 绿色免费版 - 河东下载站

河东软件园:绿色免费的软件下载站! 最新软件|软件分类|软件专题|软件发布

所在位置:首页 > 行业软件 > 工程建筑 > 品茗网络计划编制软件下载 4.3.0.0 绿色免费版

品茗网络计划编制软件下载

 4.3.0.0 绿色免费版
  • 软件大小:26.9 MB
  • 更新日期:2016-10-26
  • 软件语言:简体中文
  • 软件类别:工程建筑
  • 软件授权:免费软件
  • 软件官网:
  • 适用平台:WinXP, Win7, Win8, Win10, WinAll
  • 软件厂商:

7.7
软件评分

本地下载文件大小:26.9 MB 高速下载需下载高速下载器,提速50%

软件介绍人气软件相关文章网友评论下载地址

为您推荐:工程建筑

  品茗网络计划2014破解版是一款功能非常强大的工程进度管理软件;它支持横道图工作顺序调整、分开支持彩色打印、横道图条形文本显示、黑白打印等功能,还可对原有的功能进行小幅度的优化,可以快速的帮助管路人员进行合理的组织生产,网络图、无须草图,横道图双向智能转化等,需要的朋友可以将品茗网络计划编制软件下载来使用试试吧!

品茗网络计划编制软件下载 4.3.0.0 绿色免费版

软件功能

  绘制双代号网络图

  ◎●绘图时软件自动建立紧前紧后关系、关键线路自动生成,可以彩色出图打印,网络图绘制完成可直接转换为横道图。精美网络图可有效提升技术标的形象分和规范性。

  编制进度计划表

  ◎●通过本软件可编制所有工作进度计划表,可以绘制实工作、虚工作、辅助工作、挂起工作、里程碑等各种类型工作。

  项目进度控制和管理

  ◎●软件提供前锋线控制、自由调时差、资源控制等功能,可以实现实时进度预测和调度,从而进行项目进度控制和管理。

软件特色

  1、软件自动建立紧前紧后关系、生成关键路径,鼠标拖曳就能绘图。

  2、时标逻辑网络图、时标网络图、横道图自动转化,无需重复绘制。

  3、更可编制所有工作进度计划表,可以绘制实工作、虚工作、辅助工作、挂起工作、里程碑等各种类型工作。

  4、资源图绘制功能,可根据工程进度实时合理配置资源。

  5、丰富的前锋线控制、自由调时差、资源控制等功能保障项目进度控制和管理。

  6、自由分区,水平、垂直分区随意设置。

  7、提供各样图例,并能够用子网络维护。

  8、丰富的定制功能,自定义线条粗细、颜色、注释文字

安装方法

  1、下载文件找到"品茗网络计划编制软件2014.exe"双击运行,进入软件安装向导界面;

  2、进入软件安装向导界面,点击下一步;

品茗网络计划编制软件下载 4.3.0.0 绿色免费版

  3、点击我同意此协议中的条款,点击下一步;

品茗网络计划编制软件下载 4.3.0.0 绿色免费版

  4、文件安装位置,建议安装在D盘,点击下一步;

品茗网络计划编制软件下载 4.3.0.0 绿色免费版

  5、准备安装,点击下一步;

品茗网络计划编制软件下载 4.3.0.0 绿色免费版

  6、安装进行中,请耐心的等待.........

品茗网络计划编制软件下载 4.3.0.0 绿色免费版

  7、请仔细的阅读信息,点击下一步;

品茗网络计划编制软件下载 4.3.0.0 绿色免费版

  8、软件安装完成,点击完成;

品茗网络计划编制软件下载 4.3.0.0 绿色免费版

使用方法

品茗网络计划编制软件下载 4.3.0.0 绿色免费版

  1、只需拖曳鼠标,便可完成工作的新建,软件通过操作,只能判别紧前紧后工作,关键线路,可利用时差等

品茗网络计划编制软件下载 4.3.0.0 绿色免费版

  2、人性化的假期设置功能,各种假期一目了然,并可对假期是否计入总工期进行选择

品茗网络计划编制软件下载 4.3.0.0 绿色免费版

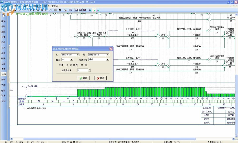
  3、资源图配合网络图,每日人工,钢材等需求量清晰可见,资源需求量与工期安排完美结合

品茗网络计划编制软件下载 4.3.0.0 绿色免费版

  4、网络计划图与横道图自动转化,省时又省心,提供起始,结束,序号等多种横道图排序方式,满足施工现场不同需求

品茗网络计划编制软件下载 4.3.0.0 绿色免费版

  5、多种输出方式提供选择,spt,jpg,wmf等,满足不同客户需求

品茗网络计划编制软件下载 4.3.0.0 绿色免费版

  6、智能化的打印模式,纸张大小,色彩模式随心选择

更新日志

  一、新增功能

  1、支持横道图工作顺序调整。

  2、支持横道图条形文本显示。

  3、分开支持彩色打印和黑白打印。

  二、功能优化

  1、横道图和网络图的注释分离

  2、注释功能存储方式变更,支持边框单独设置和统一设置。

  3、注释引线可自定义,双击和修改注释的方式与工作操作统一。

  4、关键工作、一般工作的默认填充图案设置,与图注显示匹配。

  5、支持工作表格高度、横道图高度的默认设置机自定义设置。

  6、分页时快面板定位问题优化。

  7、表格区工作名称自动跨行显示。

  8、支持网络图工作名称和持续时间的对齐方式分开设置。

  9、支持竣工标示"小红旗"的大小等自定义设置。

  10、流水性能优化及绘制完成后的刷新问题解决。

  11、分区管理优化,支持撤销和恢复。

下载地址

  • 品茗网络计划编制软件下载 4.3.0.0 绿色免费版

    本地高速下载

人气软件

网友评论16

发表评论

您的评论需要经过审核才能显示

精彩评论

最新评论

盖楼回复X

(您的评论需要经过审核才能显示)